양구군 벽걸이 흙먼지털이기 입찰, 허투루 하면 큰일! 스펙 체크는 실전의 기본🌪
2025. 7. 14. 13:34ㆍ흙먼지털이ACI
“흙먼지털이기 입찰? 에이, 뭐 그냥 아무거나 쓰면 되겠지!”
…라고 생각하셨다면, 바로 멈추세요!
이 글, 여러분의 입찰을 지켜줄 인생 사이다 팁으로 가득합니다!
입찰은 꼼수 NO, 디테일 YES!
특히 이번 양구군 흙먼지털이기 납품전에 진짜 꼭 명심해야 할 것이 있거든요.
🧐 스펙, 그깟 숫자? 신경 안 쓰면 내 노력이 증발⚡
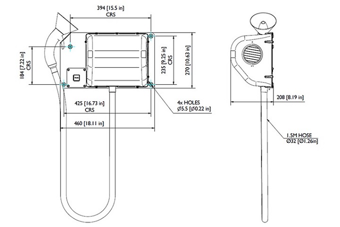
양구군에서 원하는 흙먼지털이기, 그냥 먼지만 털리는 게 아니라
몇 가지 “미션”이 명확하게 붙어있습니다.
- 소비전력이 1.2kw라고 딱! 못을 박아놨답니다.
(혹시 전력 조금 낮춘다고 슬쩍 바꿀 생각? 바로 적발! “우리 실내 콘센트는 그걸로 설계됐단 말이죠~”) - 제품 크기/사이즈까지 빼곡하게 규격서에 써 있으니
“아이고, 어차피 대충 맞겠지?” 라고 넘기면 게.임.오.버. - 필.터. 그냥 기계만 달랑? 아니죠.
필터가 있어야 실내 공기 질도 챙기고, 먼지에 흠뻑 젖은 기계도 오래 가는 겁니다. - OHSA 노즐 적합성
안전성도 매우중요




“스펙 변경, 그냥 좀 더 좋은 걸로 넣으면 되는 거 아님?”
NO! 진짜 큰~일 납니다.
- 소비전력 다르게,
- 크기 애매하게,
- 필터 빼먹고,
- NO OHSA?!
이런 행동은 “계약 위반”의 지름길!
입찰에 뽑혀도 계약서에 사인을 하고, 최종 납품때 규격과 다르다?
“바로 계약 해지, 보증금 몰수, 조달시장 밴(ban)!!!”
“그럼, 더 좋은 사양으로 해드릴게요!” …이것도 법적으로는 위험해요
진심으로 더 좋은 부품 넣는다고 해도
공식 공문, 서면 변경 없는 한 절~대 인정 안 해준다는 점!
(예산·입찰공정성 때문이죠)
똑똑하게, 똑바로, 담당자와 미리 협의된 경우만 OK!

입찰의 신(神)이 되고 싶다면, 이거 꼭 외우세요!
- 규격서, 공고문, 시방서에 빨간 줄 쫙쫙
- 계약 전에 내가 쓸 제품, 스펙 10번 체크!
- 필터랑 노즐 인증서 복사본 챙기기
- 협의 없는 변경은 금물, 담당자 문의 필수
👊 마무리 : 진짜 납품 고수, 결국 “스펙 맞추기”에서 갈린다
양구군 흙먼지털이기 납품…
이왕이면 “완벽한 스펙, 깔끔한 계약, 명쾌한 실적” 달성해서
다음 입찰도 당당하게 도전하자구요!
혹시라도,
“이 정도야 뭐~” 하고 넘겼다가 뒷목 잡는 일
이 글을 읽는 여러분에겐 절대 없길 바래요.
오늘의 명언!
스펙은 ‘내 맘대로’가 아니라 ‘공고 대로’
내 커리어는 꼼꼼함에서 시작된다!
다음에도 진짜 도움 되는 꿀팁, 재미있게 풀어서 찾아올게요!
공감, 저장, 댓글, 궁금하면 마음껏 남겨주세요 🙌



'흙먼지털이ACI' 카테고리의 다른 글
| 흙먼지를 털어주는 사람이 줄어들었습니다 (1) | 2026.01.05 |
|---|---|
| 나라장터/조달청 입찰용 흙먼지털이기, 가성비 견적 짱 !! (3) | 2025.08.07 |
| 학교에 흙먼지털이 설치 안했다면 "제트블랙" 하시면 됩니다 (1) | 2025.06.07 |
| 국내 흙먼지털이기 비교 (0) | 2025.03.18 |
| 송풍형 흙먼지털이 Vs. 콤프레서 비교 분석 (0) | 2025.03.17 |